| [打印] |
摘 要:电梯一体化控制器以其性能卓越、经济高效、安全可靠等优点开始批量应用于电梯控制,对大量现有传统电梯的改造,需求量很大。以苏州远志科技有限公司的 WISH8000系列电梯控制柜为例介绍一体化控制技术在电梯改造中的应用。介绍了配件选择和相关参数的设置,并分析了系统实际应用过程中的关键问题。
关键词:一体化控制器 WISH8000 电梯 改造
1、前言
随着电子技术的飞速发展,将电梯逻辑控制与变频驱动控制高度集成的电梯一体化控制技术业已走向成熟,并以其性能卓越、经济高效、安全可靠等优点备受电梯整机厂家和电梯改造客户的青睐。
2、电梯一体化控制器简介
2.1电梯控制技术发展历程
国内电梯控制技术的发展大致经历了表1所示的几个发展阶段。

表1 电梯控制系统发展历程
电梯控制驱动技术一体化的成熟应用,不仅仅代表了电梯控制系统的发展方向,而且将改变未来电梯控制的行业格局。
2.2电梯一体化控制器系统框图
电梯一体化控制系统主要由主控制器、轿顶控制板、指令分配板、层站通讯显示板(轿内外通用)等组成。主控制器接收并处理平层、减速等井道信息以及其它外部信号,输出控制运行接触器、抱闸接触器。轿顶控制板与主控制器之间采用CAN通讯,是包括光幕、超满载等轿厢输入信号和门机控制输出信号的中转站。层站召唤及显示与主控制器之间采用RS485通讯协议。
系统各部件之间的关系框图如图1所示。

图1 电梯一体化控制系统框图
#p##e#3、改造方案
需改造的项目为重庆市国有资产管理委员会办公大楼(渝富大厦)三台群控电梯,载重1150Kg,速度2.5m/s,。原电梯为1990年代后期安装的韩国东洋品牌的变频调速乘客电梯,因电气系统备件无法供应,电梯日常使用受到影响。通过对现场实际情况和原电梯的有关图纸资料进行分析,结合现场实际情况,最终确定如下方案:
3.1控制柜的选择
控制柜选用苏州远志科技有限公司生产的的WISH8000系列电梯一体化控制柜。与传统的微机板加变频器的控制系统相比,其优点体现在:
3.1.1省去了控制板与变频器接口的信号线,减少了故障点。控制板与变频器之间的信息交换不再局限于几根线,可以实时进行大量的信息交换。
3.1.2真正距离控制,不对曲线的数目进行限制,一体化的结构通过芯片可自动生成N条曲线。再加上直接停靠的效果,将电梯运行的效率提高到极至。每次运行节省2至3秒的爬行时间,乘坐更舒适,减少等待带来的焦躁心理。
3.1.3基于大量信息的芯片级交换,一体化可以更准确的判断电梯的状况,迅速的进行调整。且对电梯故障的判断更加准确,处理更加灵活。
3.2曳引机的选择
应客户要求,现有项目更换节能环保的永磁同步主机。我们向客户推荐了国内某知名品牌的曳引机并得到客户的认可。同时,因曳引机的改变,与之配套的曳引钢丝绳、轿顶返绳轮、对重返绳轮也同时更换或重新加工。
3.3控制回路
因一体化控制柜的使用,原有的电气回路被大大简化。控制柜与轿厢之间的连线实际仅需28芯的随行电缆。
3.4变频门机改造
应客户要求,对原有的故障率较高的直流门机作变频改造。首先,更换原有的直流电机为变频门电机,电机轴后侧选配200P的编码器。门机控制器采用艾默生TD3200门机专用变频器,并选取距离控制方式,在简化了门系统的控制的基础上进一步提高了可靠性。TD3200门机专用变频器与一体化控制系统之间的接线也非常方便。
3.5轿厢装潢的改造
为了保证电梯与整体建筑物的协调,并适应新环境下乘客使用的需要,采用蚀刻不锈钢板对原来的轿厢装潢进行改造。真正体现了美学与人机工程学的统一。
4、改造实施
4.1驱动主回路

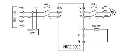
其中: JAQ-安全接触器 JYX-运行接触器 PG-编码器
图2 NICE3000驱动主回路
图2所示为NICE3000驱动主回路图。用户提供的电源经控制柜的接线端子、安全接触器进入NICE3000控制器,输出电源经运行接触器与曳引机电机相连。
4.2NICE3000输入输出接口电路

图3 NICE3000输入输出接口电路
图3所示为NICE3000输入输出接口电路。由图可以看出,采用控制驱动一体化控制器的I/O口异常简洁。
4.3电机参数自学习
为了更好地控制电机,在电梯检修运行之前需对电机参数进行自学习,WISH8000电梯一体化控制柜提供了电机静态自学习和旋转自学习两种模式。[2]在此次改造过程中,因需学习永磁同步电机的磁极为止,选择了旋转自学习模式。
4.4一体化控制器参数设置及调试
根据现场实际接线情况,需按照WISH8000用户手册相关内容对接口参数进行设置。
其次,现场改造的电梯主参数为载重1150Kg、额定速度2.5m/s 、28层28站。将WISH8000一体化控制柜的基本参数电梯额定速度(F0-04)、电梯最高层(F6-00)按上述进行设置。
完成了例行安全检查和现场参数设定以后,在检修试运行正常的情况下,实施井道参数自学习。最后进行快车的试运行和运行参数的再调整。由于WISH8000一体化控制柜可以自动生成N条运行曲线,所以需要现场调整的参数极少。整个S曲线的调整如图4所示。

图4 电梯S曲线设定参数
#p##e#4.5群控参数的设置
现场三台群控中,有一台有地下室,即-1楼。其它两台电梯的最底层为大堂(1楼)。所以三台电梯的群控参数按照WISH8000控制系统的用户手册要求引入虚拟楼层的概念,在设置时将最底层设为虚拟的物理楼层的二楼。其他楼层参数以此类推。
5、应用问题分析
5.1编码器的连线必须按要求将屏蔽层接地并单独走线。为了更好地排除外界干扰,编码器线屏蔽层的一端接NICE3000一体化控制器编码器接口专用PE,另一端悬空。
5.2正式运行快车前,可进行数次重复的井道信息自学习,以保证控制系统记忆的楼层数据的准确性。
5.3为了降低电梯运行过程中的垂直振动,应在保证导轨垂直度、导靴间隙、曳引钢丝绳松紧度、抱闸间隙等机械部分符合要求的前提下调整一体化控制器的电气参数来改善。
6、结束语
改造后的电梯在运行质量、舒适感以及停车效率等方面均比原有电梯有极大提高;控制、变频驱动一体化控制器的使用,还使整个系统用电更省;轿厢装璜的改善,更使电梯与整个建筑物相得益彰。实践证明,将电梯一体化控制器应用于电梯系统的改造,无论从可靠性、舒适性还是经济性等角度衡量,都是电梯改造单位和使用单位的最佳选择。
参考文献:
[1] 刘剑,朱德文,梁质林.电梯电气设计.中国电力出版社,2006.5.
[2] WISH8000电梯一体化控制器用户手册.苏州远志科技有限公司,2007.