| [打印] | 
随着民用住宅高层,小高层建筑的增多,以及各大商场,商务楼的大面积推广,电梯的使用量也随着增加,相应的,变频器在电梯上的使用量也水涨船高。然而,在电梯行业使用的变频器,国外的品牌占了主要部分,如日本安川,德国科比,国产变频器却不能大量用于电梯行业,这主要是因为国产变频器以通用型VVVF控制方式的为主,高性能矢量变频器等高端变频器却很少推出,再有就是电梯这个行业,对变频器的力矩特型,速度响应要求都比较高,一般的变频器厂家也没有能适应如此性能的机器。
LB90G矢量控制变频器是我公司自主研发和生产的高性能变频器。在设计中我们就一直本着追求高性能,并适用而广泛的理念,随着新产品的推出,我们首先选中的应用场合就是电梯,因为它直接考验了变频器转矩响应的快速性、控制的准确性以及速度控制的精确性。
协同某电梯公司工程调试人员对某公司电梯进行了改造,该公司电梯使用德国奔克控制器,变频器使用日本安川,电机15KW,日本安川变频器15KW,我们进行了同等规格替代使用了LB90G-4T0150BE(15KW),下边我先简单介绍一下电梯的运行模式和工作方式:

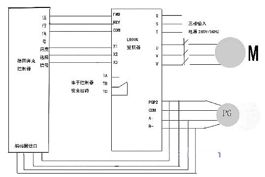
如上图所示,电梯机械部分主要由轿厢,对重通过曳引机的曳引轮,再由变频器来控制轿厢与对重的相对平衡,具体控制回路如下图:

控制方式:首先由控制器根据实际需要给出正/反转运行信号,对应电梯的上行/下行,再给出抱闸信号,使曳引机松闸,变频器在零速给出力矩,使轿厢与对重相对平衡,接下去控制器根据要到达的层楼相应给出速度选择信号,变频器中的X1,X2,X3根据端子给定给出运行频率,运行过程中给出减速信号,平层信号,变频器根据给定的速度选择信号,相应的调节输出频率直到停止。
电梯调试中对舒适度要求很高,客梯要求更高,所以在调试中对变频器的速度曲线使用了S曲线,控制器在启动和停机过程中会有一定的零速间隔时间,于是开启了零伺服功能,保证变频器在设置频率为0时,仍有足够大的力矩输出,由于有编码器脉冲反馈,使用了闭环矢量控制,具体调试过程中分为几个步骤:首先请电梯公司工程调试人员将箱吊起来,输入电机铭牌参数,并进行电机参数自学习,然后电梯重新安装好,进行参数设置,并试运行,进一步修正变频器参数,使电梯运行达到满意的效果,部分主要功能参数设定如下:


使用中由于编码器为12V供电,可以使用控制板上提供的8-20V可调PGP2供电端口,实际运行情况,电梯使用舒适度等指标,已被该电梯公司工程调试人员认可,可以替代日本安川变频器。
参考文献:
     
LB90G矢量变频器说明书(宁波乐邦电气有限公司)
德国奔克控制说明书
