| [打印] | 
摘 要:研制了一套基于三菱PLC控制的四层楼电梯模型。介绍了电梯模型的总体结构和基本功能,同时也介绍了电梯模型基本功能的PLC编程实现。所研制的电梯模型具有体积小、重量轻、制作成本低、可现场编程等特点。本电梯模型可用于PLC编程培训,为检验PLC编程的正确性提供有效的平台,具有重要的现实意义。
关键词:电梯模型;可编程控制器;控制系统
1 引言
可编程控制器(PLC)是机电类专业的一门实践性很强的专业课,日益受到人们的重视。为了加强实验室建设,进一步完善实验手段,突出实践性教学环节,特别是体现机与电结合的特色,培养高素质的工程人才,让学生熟悉PLC的应用,研制了四层电梯模型。
2 电梯模型的总体简介
电梯模型由PLC、铝合金立柱、透明有机玻璃板、印刷电路面板等组成,整个模型安置在面积为30×22cm2的底板上,电梯部分固定在底板的前部,PLC固定在底板的后部,电梯与PLC通过排线连接,模型的总高度约为45cm,总重量约为4.5Kg,如图1所示。

图1电梯模型实物
电梯模型采用常见的曳引式电梯结构,由一个定滑轮和两个动滑轮构成的滑轮组以减小所需的牵引力,拖动电机为5V、1W直流电机。为了更好地展现电梯内部结构和电梯的运行状况,除了正面是印刷电路板,其它几个面均采用透明的有机玻璃板制成,使得电梯的内部结构一目了然;电梯模型具备了实际电梯的基本功能,可以把此模型看作是小型化了的真实电梯。
电梯部分的尺寸为12×12×40cm3,轿厢尺寸为10×10×8 cm3。由于尺寸较小,各电子元器件之间采用传统的导线连接方式是比较困难的、而且容易出差错,所以采用印刷电路板取代传统导线连接方式,也就是,模型的正面使用了一整块印刷电路板,轿厢的正面也使用了一整块印刷电路板,两块印刷电路板之间的信号通过排线连接,所有的呼梯按键以及指示灯均焊接在电路板上,这样不但解决了模型的电气连接问题,而且提高了模型的可靠性,模型也显得较为整洁美观。
#p##e#3 控制系统硬件设计
3.1 PLC选型及输入、输出点分配
PLC选用三菱FX2N系列的FX2N-32MR,它有16输入点和16个输出点。PLC的输入信号有轿厢内呼梯、上呼梯、下呼梯、楼层接近开关共14个输入点;PLC的输出信号有指示灯、电机正转、电机反转共16个输出点,输入/输出点的地址分配情况如图2所示。

图2 输入/输出点的地址分配图
3.2 智能判断控制
电梯到层、电梯门打开,但电梯外的乘客由于某种原因已经离开,此时没有乘客进入电梯箱,影响了电梯的运行效率。这样情况在真实电梯运行过程中经常出现。针对这种情况,本文的电梯模型增加了自动取消无效呼梯功能(由于电梯模型体积较小,这里仅仅针对二楼增加了此项功能),可有效地提高电梯运行效率。其实现方法是:在电梯模型上添加人体感应模块,并将人体感应模块的输出信号连接到输入点X13上,X13的常开触点串联在二楼呼梯信号的保持线圈上。当在二楼等电梯的乘客离开,X13复位,从而取消二楼呼梯信号,电梯就不再停留此层,从而提高电梯运行效率。
3.3 电梯的升降控制
电梯的轿箱由一个5V直流电机拖动,并由PLC的Y13和Y17分别控制电梯轿箱的升降。尽管在PLC编程时,Y13与Y17进行互锁,但是为了防止意外而造成电源短路,在外部硬件上进行了互锁设计,即使用弹簧继电器J1和J2进行互锁,如图3所示,从而避免发生电源短路事故。具体实现过程:输出点Y13闭合,继电器J1线圈得电,使5V直流电源正接到直流电机上,此时直流电机正向转动,即电梯轿箱上升;输出点Y17闭合,继电器J2的线圈得电,使5V直流电源反接到直流电机上,此时直流电机反向转动,即电梯轿箱下降。

图3 电梯升降互锁控制原理图
4 模型的功能及软件设计
4.1 电梯模型的功能简介
电梯模型可以实现以下主要功能:
①记忆呼梯信号;②确定电梯运行方向;③响应顺向呼梯信号,并到层后消除对应的呼梯信号;④当轿厢到达指定的楼层时,楼层指示灯闪烁,表示电梯门处于打开状态,闪烁时间为5s;⑤互锁、上下限位保护;⑥显示轿厢所处的楼层位置、显示呼梯信号。
#p##e#4.2 软件设计
根据电梯模型的功能,编制相应的梯形图。
4.2.1 呼梯信号的处理
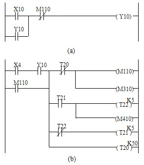
以“一楼上呼信号(输入点X10)”为例。当X10有信号输入,线圈Y10接通并自锁,从而记忆住此呼梯信号,并使“一楼上呼指示灯”亮,直到响应结束,如图4(a)所示。
图4(b)是 “一楼上呼信号X10”的响应处理。当轿厢到达一层时,一楼接近开关动作,使X4接通,进一步使得M110动作并自锁,导致图4(a)中Y10断开, “一楼上呼指示灯”灭,即“一楼上呼信号”被响应。通过三个定时器(T20、T21和T22)实现楼层指示灯闪烁5s,其中M310间接地使电机停转,M410用于实现“一楼指示灯”闪烁控制。

图4 呼梯信号的记忆与清除
4.2.2 电梯运行方向的控制
根据各呼梯信号的先后次序以及轿厢所在楼层位置,决定电梯的运行方向。当电梯运行方向确定后,电梯在上升运行中,只响应大于等于当前楼层的内呼和上升外呼信号;在下降运行中,只响应小于等于当前楼层的内呼和下降外呼信号。
图5是电梯上升运行控制的梯形图,用辅助继电器M204、M205、M206和M207记忆轿厢所在的楼层位置,用M130和M131记忆电梯正向和反向运行状态。用相应的输出继电器记忆、指示相应的输入信号,例如,按下“二楼上呼信号”按键,即,输入端X11有输入,用输出继电器Y11记忆此输入信号,输出点Y11使相应的二极管发光,用来指示有“二楼上呼信号”。
当轿厢在一楼位置,M204通电,M205、M206和M207断电,此时轿厢外呼梯信号X16、X15、X14、X12、X11、X10以及轿厢内呼梯信号X3、X2、X1都有可能产生上升运行状态;相似地,当轿厢在二楼位置,M205通电,M204、M206和M207断电,此时轿厢外呼梯信号X16、X15、X12、X11以及轿厢内呼梯信号X3、X2都有可能产生上升运行状态;当轿厢在三楼位置,M206通电,M204、M205和M207断电,此时轿厢外呼梯信号X16、X12以及轿厢内呼梯信号X3都有可能产生上升运行状态。如图5所示,输出点Y均被自锁,所以一旦产生上升运行状态(M130通电),那么只有当所有上楼呼梯信号被响应后,才能解除上升运行状态(M130断电)。

图5 电梯上升运行控制
电梯下降运行控制原理与上升运行控制类似,其它一些功能较为简单,这里不再累述。
#p##e#5 结束语
本文中的电梯模型与其它现有的电梯模型相比,具有以下创新之处:①用印刷电路代替传统的导线连接,不但减小了电梯模型的体积,而且提高了可靠性;②电梯模型可以自动取消无效的呼梯信号,提高了电梯的运行效率;③由于电梯模型体积小、重量轻,成本低、便于携带,非常适合课堂教学、实验、现场编程和调试,对学生了解和掌握可编程控制器(PLC)及其应用以及工业过程自动化控制有着重要的帮助。
正是上述创新之处,该电梯模型在江苏省教育厅主办的“江苏省工科院校第三届先进制造技术实习教学与创新制作比赛”中获得三等奖。
参考文献
[1] 钟肇新编. 可编程控制器原理及应用. 广州:华南理工大学出版社,1999
[2] 杨立新,储健,丁茹. 基于SPLC的教学用电梯模型设计[J].微计算机信息,2005, 11-1:25~27
