| [打印] | 
摘 要:本文结合中国铝业某分公司热电厂煤场抓斗天车改造项目情况,介绍了抓斗天车控制系统的运行特点及存在问题,详细阐述了变频调速系统在抓斗天车改造上的应用,解决了传统抓斗天车存在的一些问题,达到了降低操作难度、平稳运行、减少故障和降耗节能的目的。
关键词:抓斗天车,变频器,主从控制,光纤通讯
Abstract: In this paper,a branch of China Aluminum Thermal Power Plant Coal Yard Grab Crane reconstruction project,the introduction of the grab crane control system operating characteristics and problems in detail inverter system in the grab crane on the application of transformation to solve the traditional grab crane some of the problems exist, to reduce the difficulty of the operation, smooth running, reducing breakdowns and energy saving purposes.
Key words: crane,inverter,master/follower control,fibre optic cable transmission
1 引言
中国铝业某分公司热电厂煤场有四台5吨抓斗天车,每天负责为热电厂装卸、输送二千多吨发电用煤,抓斗天车作为热电厂生产原料装卸、堆放过程中不可缺少的工程机械,对其工作效率、工作性能要求很高,但由于工作环境的影响和其传统电气控制系统的限制,在实际工作中存在着很多问题。本文分析了煤场抓斗天车存在的问题,提出变频调速控制系统改造方案,并通过实践证明该方案安全可靠,提高了工作效率。
2 煤场抓斗天车存在的问题
煤场抓斗天车为双梁桥式结构,满斗抓煤量为2.5吨,其电气传动系统包括15kW大车电机两台,2.2kW小车电机一台,30kW抓斗开闭电机一台,30kW抓斗提升电机一台,均为绕线型转子异步电机,采用转子串电阻实现有级调速运行。通过考察,煤场抓斗天车存在如下问题:
1) 热电厂煤场工作环境比较恶劣,高温潮湿,漂浮的煤粉容易沾聚在柜体和柜内电气元器件的表面,造成柜内温度过高和电气短路等故障。
2) 大车电机、小车电机、升降电机、开闭电机都是靠在转子回路中串接电阻进行调速运行。转子串电阻调速是通过交流接触器的分合完成对转子串联电阻的切换,从而调整电机的转速,在调速时切换电流大,电机、接触器、电阻器故障率高,使用寿命短,且转子串电阻调速是一种有级调速方式,对天车机械传动部分冲击较大,设备检修维护费用高,检修停车时间长,影响了热电厂的正常生产。
3) 转子回路中所串接电阻器为纯耗能元件,在运行中电阻器长期处于发热状态,耗费大量电能,以牺牲能源的方式来实现调速,效率较低。
4) 在抓斗天车沉抓启升的过程中,抓斗升降、开闭电动机容易出现受力不均匀的情况,需要天车操作员靠经验点动调整抓斗升降及抓斗开闭钢丝绳的松紧度,并掌握抓斗升降电机投入运行的时机,否则,如果抓斗开闭电机的钢丝绳太松,易造成抓斗料斗漏料;如果抓斗升降电机的钢丝绳太松,则抓斗开闭电机单独受力过载,容易引起电机损坏或钢丝绳断裂。此过程要求天车操作员具有较长的操作经验和较高的操作技巧,而且需要天车操作员精神集中,劳动强度大。
5) 热电厂煤场煤堆顶部与抓斗天车的垂直距离较短,需要抓斗天车能在较短时间内完成沉抓启升过程,达到抓斗升降、开闭电机受力均匀状态。
3 改造目标
针对煤场抓斗天车存在的问题,确立煤场抓斗天车改造目标是:
1) 改造前后抓斗行车的操作方式和习惯要保持一致。
2) 改造后应提高抓斗天车的工作效率和自动化程度。
3) 改造后应能降低天车操作员的劳动强度,减少该岗位对操作经验的依赖。
4) 系统可靠性高,故障少,维护保养费用低。
5) 节能降耗。
4 变频调速控制系统改造方案
随着计算机控制技术、交流调速技术和电力电子技术的发展,变频器、PLC等器件在天车改造中积累了成熟的经验。为实现抓斗天车的改造目标,提高抓斗天车的工作效率和工作性能,我司采用变频调速控制系统对原有抓斗天车控制系统进行改造,从根本上解决上述问题。
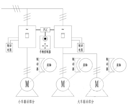
变频调速控制系统主要是由变频器,PLC,双手柄联动控制台组成,PLC采集手柄控制器信号,经过程序进行逻辑判断,依据判断结果调节变频器的输出,来控制驱动电机的方向、转速和力矩,取代原来的传统绕线型转子串电阻调速驱动系统。系统原理如下图所示:

图1、大小车电气传动框图
#p##e#4.1变频调速控制系统改造方案主要内容
1) 重新安装变频控制柜、制动电阻柜、PLC柜,其中,变频控制柜、PLC柜柜体作全密封处理,并在变频柜侧加装工业空调解决散热问题,在煤场恶劣的工作环境中,实现了防潮、防尘、散热目的。
2) 原抓斗天车上五台电机作转子短接处理,则将电机滑环拉出,转子中心点直接短接,全部取消了原控制系统中转子串接电阻回路中的电缆、电阻器及相关的切换接触器。
3) 变频器选用ABB的ACS800系列变频器,该系列变频器具有直接转矩控制技术,具有抱闸控制和主从控制功能,其中,小车变频器、抓斗升降变频器、抓斗开闭变频器控制各自对应的一台电机,大车变频器控制对应的两台大车电机。PLC选用SIEMENS的S7-200系列控制器,PLC具有扫描响应速度快,编程控制灵活,抗干扰能力强的特点。

图2、抓斗提升及抓斗开闭电气传动框图
4) 当大车、小车减速和快速停车时,抓斗升降、开闭电机匀速下降时,抓斗升降、开闭电机减速和快速停车时,电机处于发电状态,变频器配置了制动单元和制动电阻消耗多余的能量,达到快速减速、精确控制和准确停车的目的。
5) 依照抓斗天车的操作习惯,配备了升降、开闭双手柄联动控制台和大车、小车联动控制台,其中升降与开闭为两个独立控制手柄控制器,可联动操作,具有快升、慢升、停止、慢降、快降五档位;大车、小车为共有全方位操作手柄,可以同时控制大、小车作前后左右运动,也具有快、慢、停止、慢、快五档位。
4.2变频调速控制系统的重点
抓斗天车的抓斗传动系统由开闭机构、升降机构两部分组成,通过钢丝绳与各自的滚筒联接,两者之间没有任何电气联锁,也无法加装合适的检测开关,在抓斗天车运行过程中,沉抓启升过程是技术关键,也是操作难点,在沉抓启升过程中,抓斗升降、开闭电机容易出现受力不均匀的情况,需要天车操作员靠经验点动调整抓斗升降及抓斗开闭钢丝绳的松紧度,并掌握抓斗提升电机投入运行的时机,如果抓斗开闭电机的钢丝绳太松,易造成抓斗料斗漏料;如果抓斗升降电机的钢丝绳太松,则开闭电动机单独受力过载,容易引起电机损坏或钢丝绳断裂。
在变频调速控制系统中,我们采用了ABB变频器ACS800系列的主从控制功能结合PLC的程序设计解决了这个难题。
ABB变频器ACS800系列的主从控制功能是一种负载分配应用,用于系统中运行多台电机并且多台电机通过各种介质耦合关联,共同控制同一负载。在主从控制功能中,主机采用速度控制,从机可通过PLC指令选择转矩跟随模式或速度跟随模式,主从控制通讯协议采用ABB的分布式传动通讯系统,通讯传输介质采用光纤,主从控制功能控制传动之间的负载分配,主机通过光纤环网将命令信号和速度和力矩信息发送给从机,主机也可由从机读取返回的状态信息,从机通过光纤环网与主传动通讯,通过内置的主从应用宏自动实现与主传动的速度/力矩跟踪和力矩准确平均分配,由于通信是采用光纤环网实现的,通讯速率可达到4Mbit/s,通讯周期为4ms,如此高的通信速度足以保证主从机之间的速度及力矩的一致性,具有极好的实时性、可靠性和抗干扰能力。在PLC的程序编制中,我们把抓斗天车沉抓启升过程定义了自动和手动两种模式,通过控制台上的选择开关进行选择。
在自动模式下,抓斗天车沉抓启升过程中,抓斗开闭变频器由PLC通过数字输入口指定为主机,抓斗升降变频器由PLC通过数字输入口指定为从机,同时通过数字输入口指定为力矩跟随模式,当天车操作员推动抓斗开闭手柄,使开闭变频器控制开闭电机使斗体闭合时,PLC接受开闭变频器信号,根据开闭电机力矩负荷情况自动发出指令控制抓斗升降变频器投入运行,进入从机力矩跟随模式,而不需要靠天车操作员凭经验来判断抓斗升降电机投入运行的时机,抓斗升降变频器根据主从力矩跟随功能,控制抓斗升降电机首先提速进行高速追赶,让抓斗升降的钢丝绳拉紧,进入负载平均分配过程,抓斗升降和开闭钢丝绳受力平均,使抓斗匀速上升,在自动模式下,沉抓启升过程时间短、抓煤量稳定而且运行平稳没有冲击,既摆脱了对操作员经验的依赖,又降低了天车操作员的劳动强度,提高了工作质量。
当在特殊情况下,如需抓煤量较小时或靠近地面抓煤时,可通过控制台上的选择开关选择手动模式,恢复普通操作方式,由天车操作员控制抓斗开闭和抓斗升降手柄完成沉抓启升过程。
5 总结语
从中国铝业某分公司热电厂煤场抓斗天车进行变频调速控制系统改造后的使用情况看,效果非常明显,本次改造改善了抓斗天车的调速性能,增强了设备电气保护功能,降低了对机械设备的冲击,减少了故障率,节省了检修费用和检修时间,减少了能量消耗,提高了抓斗天车的自动化程度和可操作性,最主要的是降低了天车操作员的劳动强度,降低了操作难度,减少了该岗位对操作经验的依赖。变频调速控制系统自投运以来,运行稳定,性能可靠,得到了用户的高度赞扬。
