| [打印] |
在gb7588 14.1.1.1中对电梯可能出现的故障:
a)无电压;
b)电压降低;
c)导线(体)中断;
d) 对地或对金属构件的绝缘损坏;
e)电气元件的短路或断路以及参数或功能的改变,如电阻器、电容器、晶体管、灯等;
f)接触器或继电器的可动衔铁不吸合或吸合不完全;
g)接触器或继电器的可动衔铁不释放;
h)触点不分开;
i)触点不闭合;
j)错相。
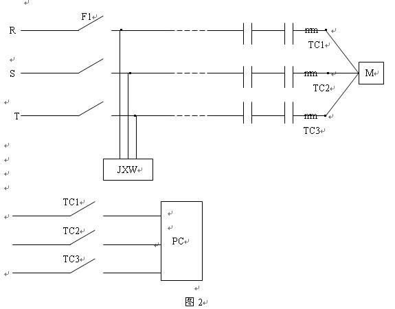
在上述说法中,即在控制系统必须要有错断相保护,在大多数的电气原理图上,只在安全回路中串接一个相序继电器的触点,如果有了错断相,该继电器工作,安全回路失电,从而使整个控制回路动作,电梯停止运行,但这一般都是在进线端进行检测,也就是说在动力线到控制柜的这段距离内加装一个相序保护继电器(图1),但是在实际过程中经常有这样的情况出现,由于振动等原因,从控制柜到电机连接的的线桩头出现了松动或脱落,就有可能出现故障或损坏设备,从而引发事故。怎样才能解决这个问题,从而减少或避免事故呢?方法是只要在控制柜到电机的连线上加装霍尔传感器就可以,(图2)加装了传感器,可以实时监测电流或电压的流动,只有检测到有电流异常,例如电流过小、过大等,就立即切断控制电源使电梯停止这行,从而避免事故的发生。不论是交流双速,还是变频控制系统,从进线到出线,都符合14.1.1.1中相应条款要求(对于一台正常运行的电梯,加装霍尔传感器可不必考虑错问题,这可以在调试时加以解决。对于变频电梯,在进线端可以只装断相检测装置以节省成本。)从而提高了系统的可靠性。
在进入底坑、轿顶工作工作的情况下,由于人为的疏忽或没有严格按照正常操作程序,电梯突然运行,由于人没有足够的思想准备,易发生事故。如在某工地刚安装调试的时候,一位工人想从底坑爬出来,这时他先恢复了急停开关,没有打开厅门,想自己爬上来打开厅门再出来,因为是并联梯,这时刚好有人呼梯,电梯直奔一楼,结果可想面知。事实上类似这种情况已有多起,并有人员伤亡。在上述情况下,实际上不管任何情况,只要从检修转正常运行或安全回路动作后复位或门刀擦门球等情况下或电梯自诊断故障复位后能运行的。系统正常运行时都应先中止正常运行条件,先作校正运行,在校正运行前必须先有警告(例如刺耳的声响),以提醒人员注意,这里必须要有一段让人足够反应的时间,然后以很慢的速度作校正运行,系统作自我诊断,然后才能转正常运行。
总之,电梯的控制系统的设计要避免一切人为的误操作或设备本身引起的故障情况下,都能有必要的安全保护,最低限度的减少事故的发生,在任何情况下都能够首先保证使用者的安全。

图一:加载继电器的安全回路

图二:家装传感器的安全回路