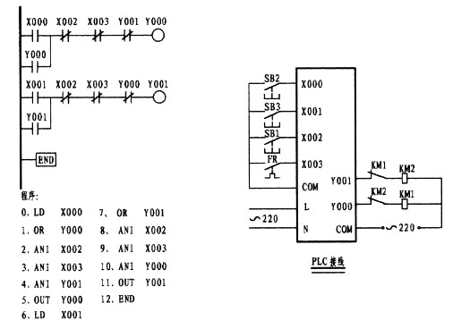
| [打印] |
工作原理:本梯形图没设热继电器触点,只设一停止触点。按外部启动按钮使X000闭合,电流(能流)由母线经X002使输出继电器Y000接通,由于 Y000的接通,本梯级第二支路中的Y000常开接点接通,经中间继电器M0的常闭接点与输出继电器形成了自保关系,从而驱动外部接触器带动电动机旋转。停止时,按外部的停止按钮至使X002在瞬间断开,使输出继电器失电,电动机停止了转动。点动时,按外部点动按钮使第一梯级第一支路的X001常开接点闭合,同时第二梯级的X001也同时闭合,接通了中间继电器,由于中间继电器的闭合,使第一梯级第二支路的X001相串联的M0常闭接点断开从而破坏了自保回路故而电动机处于点动状态。
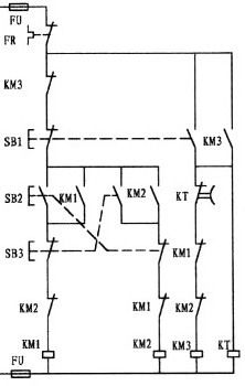
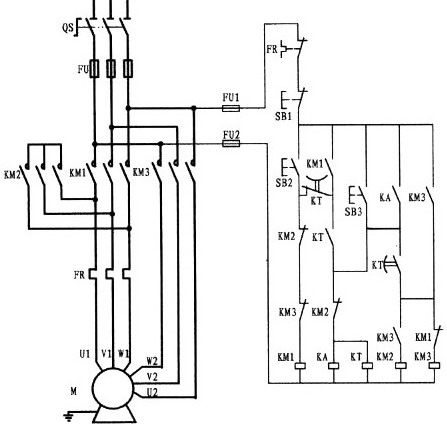
③接触器联锁正反转控制改用PLC控制

本图中靠近母线一侧中的第一梯级和第二梯级中的X000、X001均为PLC外部按钮SB2、SB3按钮所控制的常开接点,一旦接到外部信号使相应的 X000或X001闭合,通过串接于第一或第二梯级相应线路,使输出继电器Y000或Y001线圈中的一个闭合,由于输出继电器线圈的闭合,使并接于第一和第二梯级中的常开接点Y000或Y001中的一个闭合形成了自保关系。接于输出继电器外围相应接触器则带动电动机运行。停止则由外部的SB1按钮控制,使串接于第一和第二梯级中的常闭接点X002断开,不管是正转还是反转均能断电,从而使电动机停止运行。热保护则由外部的FR驱动,使串接于第一和第二梯级中的常闭接点X003断开使电动机停转。而串接于第一和第二梯级中的常闭接点Y001和Y000的作用,是保证在正转时反转回路被切断,同理反转时正转回路被切断使它们只能处于一种状态下运行,其实质是相互联锁的作用。这里特别要强调的是:由于PLC运行速度极快,在正反转控制状态下若没有必要的外围联锁,将会造成短路。如果只靠PLC内部的联锁是不行的。这一点初学者一定要记住。而且在星角降压启动等必要的电路中均应考虑这一问题。
④复合联锁正反转能耗制动用PLC改造


程序:0、LD X000 1、OR Y000 2、ANI X002 3、ANI X001 4、ANI Y001 5、ANI Y002 6、OUT Y000 7、LD X001 8、OR Y001 9、ANI X002 10、ANI X000 11、ANI Y000 12、ANI Y002 13、OUT Y001 14、LD X002 15 、OR Y002 16、ANI T0 17、OUT Y002 18、OUT T0 K 40 21、END
本图为正反转能耗制动控制改为用PLC控制,其工作原理是:当按接于外部的正转按钮SB1驱动第一梯级X000常开接点闭合(而第二梯级中的X000常闭接点则同时断开,切断可能运行中的反转功能,起了互锁作用),通过串接于其后的X002、X001、Y001、Y002各接点的常闭,接通了Y000输出继电器线圈使其闭合,由于Y000线圈的闭合,导至第一梯级的并接于母线侧的Y000常开接点闭合,形成了Y000的自保(同时串接于第二梯级的,Y000常闭接点断开,保证了在正转的情况下不允许反转,起了互锁的作用)。由于Y000的闭合,接通了正转接触器,带动电动机工作。第二梯级的工作则与第一梯级相似:即按外部反转按钮SB2,驱动第二梯级X001常开接点闭合(而第一梯级中的X001常闭接点则同时断开,切断可能运行中的正转功能,起了互锁作用),通过串接于其后的X002、X000、Y000、Y002各接点的常闭,接通了Y001输出继电器线圈使其闭合,由于Y001线圈的闭合,导至第二梯级的并接于母线侧的Y001常开接点闭合形成了自保(同时串接于第一梯级的Y001常闭接点断开,保证了在反转的情况下不允许正转,起了互锁的作用)。由于Y001的闭合,接通了反转接触器,带动电动机工作。若要停止,则按外部按钮SB3驱动了第三梯级的X002常开接点的闭合(同时第一梯级和第二梯级的X002常闭接点断开,切断了正转或反转的工作。)通过定时器T0的常闭接点,接通了输出继电器线圈Y002和定时器T0线圈,由于 Y002的接通,其并接于第三梯级母线一侧的常开接点Y002闭合,形成了Y002线圈的自保(在这同时串接于第一梯级和第二梯级的Y002的常闭接点断开,再次可靠切断了正转或反转),从而Y002接通了外接接触器KM3,而KM3则向电动机送入了直流电进行能耗制动。上述的定时器与Y002是同时闭合,定时器在闭合的瞬间即开始计时,本定时器计时时间为4S(计算方法:T0的单位时间为100ms,而K值设定为40 则:100×40=4000ms 1S=1000ms),4S时间一到,串接于第三梯级的常闭接点T0断开,运行则停止。本梯形图没设置热继电器,可在第一、第二梯级的Y000和Y001 的线圈前端设置常闭接点X003,外部则接FR的常开接点。同理这线路由于是正反转线路,在其外部应考虑进行必要的接触器辅助接点的联锁。
⑤断电延时型星角降压启动能耗制动控制改用PLC控制



PLC没有断电延时型定时器,只有通电延时型定时器。本梯形图的工作原理:当外接启动按钮SB2按下,驱动第一梯级X000的常开接点闭合,通过串接其后的X001、T1、T0、Y002的常闭接点,接通输出继电器,由于Y000线圈的闭合,促使第一梯级第一支路中的并联常开触点闭合形成Y000线圈自保,至使Y000驱动的接触器KM3闭合将电动机绕组接成星形。在这同时,第二梯级中的左母线一侧的常开触点Y000闭合,通过串接其后的X001、 Y003的常闭接点接通了输出继电器Y001和另一支路经Y002常闭接点相串的定时器线圈T0(K值为40)。由于Y001线圈的闭合使与本支路相并的母线一侧Y001闭合形成了Y001线圈自保。由于Y001线圈的闭合,接于Y001后的外部接触器KM1闭合,电动机处于星接启动状态。在Y001闭合的同时定时器T0也已开始计时,4S后定时器T0常闭接点,在第一梯级中切断了输出继电器Y000线圈,解除了星接。而在这同时,第三梯级中左母线一侧的 T0 常开接点闭合,通过串接其后的X001、Y000的常闭接点,接通了输出继电器Y002。由于Y002的接通,并接于左母线一侧的Y002闭合,使 Y002线圈形成自保。Y002线圈后所接的接触器KM2接通,完成了星角转换,使电动机进入了角接状态。第一梯级中与第三梯级中所串接的Y002和 Y001常闭接点实质是星与角的互锁。停止按外接停止按钮SB1,从梯形图中可以看出由SB1驱动的第一梯级、第二梯级和第三梯级均串接了X001的常闭触点,其目的是让电动机在任一运行状态,均能可靠停止。而在第四梯级X001接的是常开触点,其一旦闭合,通过串接其后的定时器常闭接点,接通了输出继电器Y003线圈和定时器T1线圈,由于Y003线圈的闭合,其并接于第一梯级第二支路中的Y003常开接点接通了Y000线圈,驱动KM3闭合,使电动机的处于星接状态,以提供直流通道。在线圈Y003闭合后,驱动了外接接触器KM4在电动机停止交流供电的情况下向电动机提供直流电进行能耗制动。定时器线圈T1是与线圈Y003同时获电,并开始计时,计时时间一到,串接于第一梯级与第四梯级的常闭接点断开,使电动机完成了停车与制动的过程。外部接触器接线时,应考虑接触器间的互相联锁以防短路。另本梯形图没设置热保护。
⑥双速异步电动机控制电路改用PLC控制



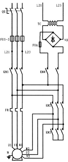
该线路控制的是一台双速电动机,一般的人对它不是很理解。电动机型号为YD123M-4/2,6.5/8KW,△/Y。根据型号解读;该电机具有二种速度即4极和2极,在4极速度下,电动机的功率为6.5KW,绕组为三角形接法。如果在2极的速度下,电动机的功率为8KW,绕组为双星接法。该电动机共有6 接线头,三角形接时(低速)电源由U1、V1、W1接入,其余接头U2、V2、W2为悬空。星接时(高速)将接线头U1、V1、W1接成星点形成了双星点,三相电源则由U2、V2、W2输入(电动机接线图详上图所示)。该线路要求;电机可以在低速、高速状态下择其一运行。而在高速运行时则按低速启动再转为高速运行。自己可根据电原理图进行分析。
梯形图工作原理:按设于外部的启动按钮SB3,接通了第一梯级母线侧常开接点X000,电流(能流)通过串接其后的X002、Y001的常闭接点接通了输出继电器线圈,同时接通与M0常闭接点相串的定时器线圈T0(K值为40)。由于Y000线圈的闭合,使其并接母线一侧的Y000常闭接点闭合,Y000 线圈形成了自保。由于Y000线圈的闭合,使接于其后的外部接触器KM1动作,电动机处于低速启动状态(即处于三角接法)。Y000线圈闭合的同时,定时器T0即开始计时。计时时间一到,接于第三梯级母线一侧的T0常开接点闭合,通过串接其后的X002常闭接点,接通输出继电器Y001线圈闭合。由于 Y001线圈的闭合,并接于母线一侧的Y001常开接点闭合,Y001线圈形成了自保。在这同时(Y001线圈的闭合)串接于第一梯级的常闭接点断开,切断了由Y000线圈所控制的KM1接触器的运行。在Y001线圈的闭合的同时,第四梯级的母线侧Y001常开接点闭合,通过串接其后的常闭接点X002,接通了输出继电器Y002。在输出继电器Y001闭合时,接于其后的外部接触器KM2闭合。KM2将电机绕组头U1、V1、W1接成了星点,而输出继电器 Y002外部所接的接触器KM3则接通了电源使电动机处于高速运行状态。停止,则按外接按钮SB1,各梯级所串接的X002常闭接点断开,使电动机在任一运行状态均可停止。这是低速启动,高速运行的过程。
低速运行时,按外接启动按钮SB1,此时第二梯级接于母线一侧的X001闭合,电流(能流)则通过串接于其后的X002接通中间继电器M0线圈,使并接于母线一侧的M0常开接点闭合,使M0中间继电器线圈形成了自保。由于M0线圈的闭合,使第一梯级第二支路母线一侧的M0常闭接点闭合,同时切断了定时器线圈T0的运行,使电流接通了Y000输出继电器,外接的接触器KM1接通使电动机处于三角形低速运行状态。停止,则按外接按钮SB1即可。这就是低速运行过程。注意:本梯形图未设置热保护,从原图来看热保就少用了一个。可在梯形图第一梯级Y001常闭接点后串接X003,同时在第四梯级X002常闭接点后串接X004。
⑦用PLC控制设计一梯形图

要求:有三台电动机,分别标为1号、2号、3号电机。第1号机启动后过4S,第2号电机自动启动,第3号机又在第2号机启动后过4S自动启动。停止时,第3号电机先停,过4S后第2号电机自动停止,第2号电机停后再过4S,第1号电机跟着停。
思路是这样的:根据题意,设输入信号按钮2个,分别为SB1和SB2。SB1作为停止按钮,用以控制梯形图中第四梯级中母线侧常开触点X001。SB2作为启动按钮,用以控制梯形图中第一梯级母线侧常开触点X000。因有三台电机则设输出继电器3个,分别为Y000、Y001、Y002。Y000后接接触器KM1,Y001后接接触器KM2,Y002后接接触器KM3。分别控制1号、2号、3号电机。启动时1号电机用按钮控制,而2号、3号电机是根据时间原则启动的,故应设置2个定时器,分别为T0、T1。停止时,第3号电机可以使用按钮控制,而2号、1号电机也是根据时间原则停止的,故也应设置2个定时器,分别为T2、T3。这些器件确定后,用铅笔在纸上钩出,再围绕这些软器件进行合理组合、优化即可,若有必要增加其它软器件。
工作原理:按外接按钮SB2,驱动了接于第一梯级母线一侧常开接点X000,能流经串接于后的T3常闭接点,接通了输出继电器Y000线圈及与其并接的经与常闭接点M0串接的定时器线圈T0。由于Y000线圈的接通,并接于母线一侧的Y000常开接点闭合,Y000线圈形成了自保(在这同时,第四梯级的 Y000常开接点闭合,为停止做好了准备),1号电动机启动。与Y000线圈同时闭合的定时器则开始计时。计时时间一到,接于第二梯级母线一侧的常开接点 T0闭合,能流经串接于后的T2常闭接点接通了输出继电器Y001线圈及与其并接的经与常闭接点M0串接的定时器线圈T1。并接于母线一侧的Y001常开接点闭合,Y001线圈形成了自保,2号电动机启动。与Y001线圈同时闭合的定时器则开始计时。计时时间一到,接于第三梯级母线一侧的常开接点T1闭合,能流经串接于后的X001常闭接点接通了输出继电器Y002线圈。由于Y002线圈的接通,并接于母线一侧的Y002常开接点闭合,Y002线圈形成了自保,3号电动机启动。停止则按外接按钮SB1,驱动了第三梯级常闭接点的断开,3号电机停运行。而在这同时,第四梯级母线一侧常开接点X001的闭合。能流经串接于后的常开接点(此时由于Y000线圈的闭合,其已经变为闭合)接通了中间继电器M0线圈,由于M0线圈的接通,并接于母线一侧的常开接点 M0闭合,M0线圈形成了自保。在M0线圈闭合的同时,并接的定时器T2、T3同时闭合。并开始计时,因T2计时时间为4S,时间一到,串接于第二梯级的定时器T2常闭接点断开,2号电机停止。再4S后,串接于第一梯级的定时器T3常闭接点断开,1号电机停止。由于Y000线圈断电,串接于第四梯级的Y000常开接点断开,梯形图停止了运行。图中在第一梯级和第二梯级中,串接于定时器T0、T1前的M0常闭接点的作用是防止停止后电机再次启动而设。
⑧用PLC设计一梯形图
要求:有二台电动机,分别为1号电机和2号电机。1号电机可正反转,2号电机就一转向。在1号电机正转时,2号电机才能启动。1号电机一开起来就不能停,但可切换正反转。要停机,必须在1号电机反转的情况下,2号电机才能停,停完后才能停1号电机。

思路是这样的:因是二台电机,其中1号电机要求正反转,外设正转反转启动按钮各分别为SB1(控制X000)、SB2(控制X001)、停止按钮 SB3(控制X004)。设输出继电器Y000、Y001各一个分别外控KM1、KM2接触器的正反转。外设2号电机启动按钮SB4(控制X002),停止按钮SB5(X003)各一个。设输出继电器Y002一个。共计输入继电器5个,输出继电器3个。在图纸上钩出,围绕这些软元件进行合理的串并联,若有必要再增加中间继电器,进行优化即可。
工作原理:按外接按钮SB1,第一梯级母线侧的X000闭合,能流经常闭接点X001、Y001接通输出继电器Y000线圈。由于Y000线圈的闭合,并接于母线侧的Y000常闭接点闭合形成了自保关系,输出继电器Y000输出信号,控制外接KM1接触器带动正转运行。在X000闭合的同时,串接于第二梯级的X000的常闭接点断开,切除了可能的反转运行,起了互锁的作用。同时因Y000的闭合,串接于第二梯级的Y000常闭接点断开,其作用与正反转接触器辅助接点互锁相似。而Y000串接于第三梯级的Y000常开接点则闭合,作好了Y002的启动准备。若Y000常开接点没有闭合,则Y002的启动就没有可能,这是反转闭合限制的条件。
按外接按钮SB1,接通了第二梯级母线侧的输入继电器X001,通过串接其后的X004、X000、Y000的常闭接点,接通了输出继电器Y001线圈,由于Y001线圈的闭合,并接于母线一侧的Y001常闭接点闭合,形成了自保关系。输出继电器Y001输出信号,控制外接KM2接触器,带动反转运行。在 X001闭合的同时,串接于第一梯级的X001的常闭接点断开,切除了可能的正转运行,起了互锁的作用。同时因Y001的闭合,串接于第一梯级的Y001 常闭接点断开,其作用同样是互锁关系。同样在X001闭合的同时,第四梯级的X001常开接点闭合,能流通过串接其后的Y002,接通了中间继电器M0线圈,M0线圈通过母线侧的M0常开接点形成自保。此时第二梯级中,并接于X004下端的M0常开接点闭合,从而限制了在正反转状态下的停车(因线路要求在正反时不能停车)。而本梯级中的与X004常闭接点、M0常开接点相并联的Y002常开接点,则是限制Y001比Y002的提前停止而设置。
按外接按钮SB4,接通了第三梯级母线侧的输入继电器X002,通过串接其后的Y000的常开接点(只有在输出继电器Y000闭合的情况下才允许,也就是必须在1号电动机反转的情况下)和X003常闭接点,接通了输出继电器Y002线圈,由于Y002线圈的闭合,并接于母线一侧的Y002常闭接点闭合,形成了自保关系。输出继电器Y002输出信号,控制外接KM3接触器,带动2号电机运行。在Y002闭合的同时,并接于第二梯级X004下端的Y002常开接点闭合,从而限制了在反转状态下1号电机先于2号电机的停车的可能。同时因Y002线圈的闭合,带动了串接于第四梯级中的Y002常闭接点断开,从而切断了中间继电器M0线圈。由于M0线圈的停止,其并接于第二梯级并X004下端的M0常开接点由刚才的闭合变为断开,即恢复原状,为停车做好了第一次准备。而本梯级中并接于X003常闭接点下的Y001常闭接点,则只有在Y001闭合的情况下(即在反转情况下),才有停止的条件。此时按外接按钮SB5才能使X003断开,输出继电器Y002线圈断开,2号电机停止运转。由于Y002的断开,致使其并接于第二梯级X004下端的Y002断开(即恢复原状),为1号机的停机做好了第二次准备。若再按外接按钮SB3,使第二梯级中的常闭接点X004断开,则Y001断开,则梯形的运行程序结束。