| [打印] |
根据GB7588-2003规范第12.4.2.3.1 要求:
切断制动器电流,至少应用两个独立的电气装置来实现,不论这些装置与用来切断电梯驱动主机电流的电气装置是否为一体。
当电梯停止时,如果其中一个接触器的主触点未打开,最迟到下一次运行方向改变时,应防止电梯再运行。
在笔者接触的一些电梯中,大多用微机控制的系统,都符合以述规定的要求,但一些比较早期的LPC控制电梯和老式继电器电梯,都不符合这个规范。一般的PLC控制系统,可以通过修改程序的方法来达到要求,而继电器控制电路,则必要通过更改控制屏线路的方法达到规范要求了。
在电梯技术论坛的贴子中,我发现有网友有这方面的求助信息,因此就以早期的XPM继电器控制屏为例,叙述一则更改方案,来达到新规范的检测要求。
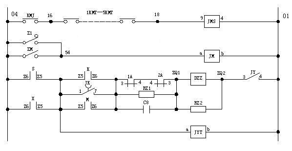
在XPM-71控制系统中,抱闸回路的控制原理图如下:

图中可以看出:控制抱闸线圈的触点有两组:一组是以上行接触器 S 与下行接触器 X 并联,另一组是以快车接触器 K 与慢车接触器 M 并联。看上去好像符合“两个独立的电气装置”。其实不然,我们来看下图:

电梯的慢车接触器 M 的控制仅由 S 与 X 来控制,即如果 S 或 X 有粘连故障时,慢车接触器M 不会释放,电梯会一直慢车运行。所以这样并不符合“有两个独立的电气装置”这一原则。我们可以对这一电路改成下图:

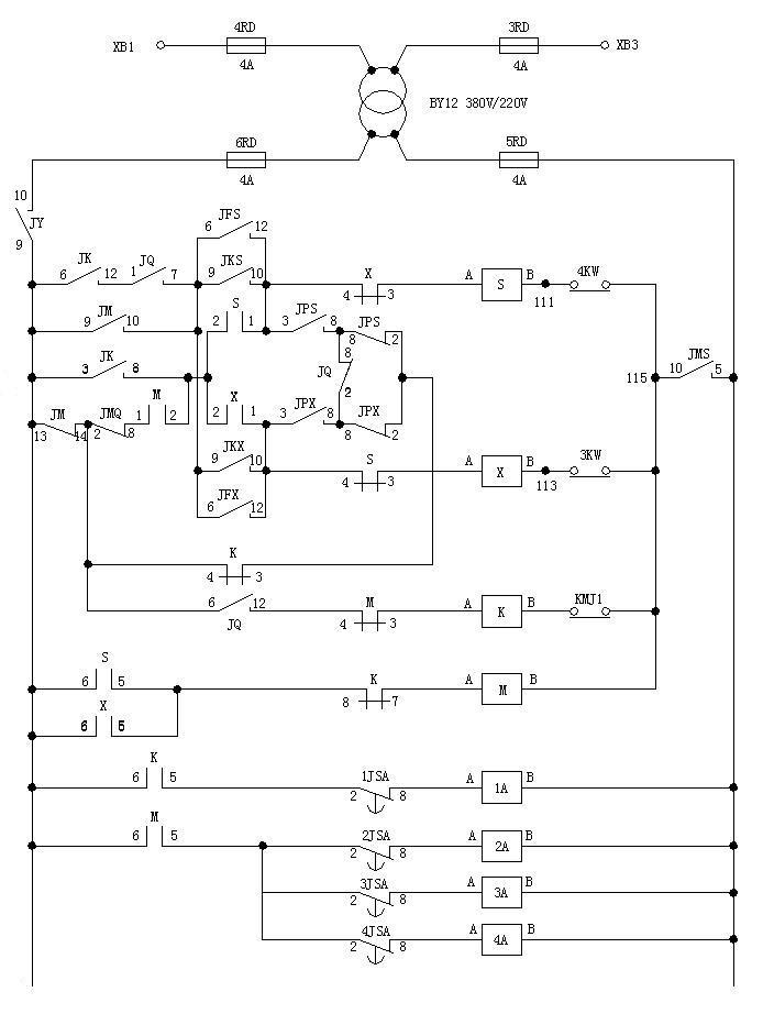
我们增加 1S、1X、1K 三只辅助继电器,电压等级与接触器线圈电压相同。接触如图示。
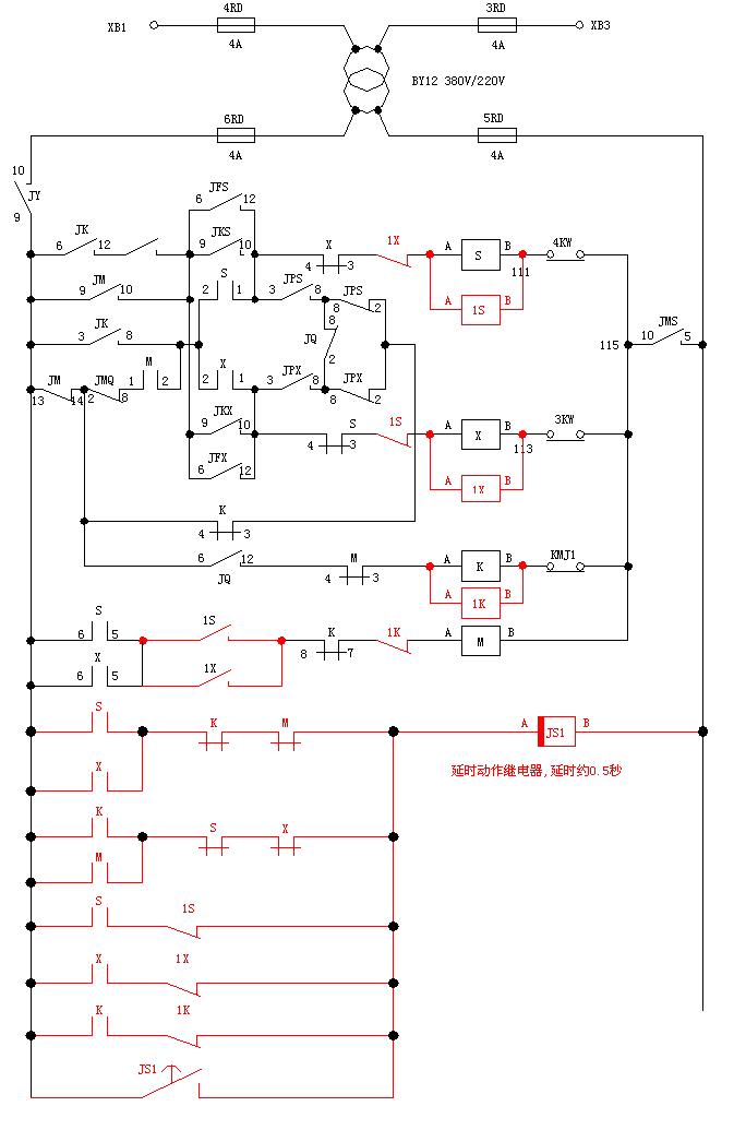
我们分析一下防粘连保护的过程:
1、切断制动器电流是否是有两组独立的电气装置来实现?
因控制 M 的回路中增加了 1S 与 1X 一组触点,因此M不会因S或X接触器粘连而吸合,符合“两个独立的电气装置”的要求了。
2、防粘连的保护功能:
在电路中因增加了1S,1X,1K辅助继电器,在正常情况下,S与1S应该同步同动,如果S有粘连时,而1S释放,延时继电器SJ1延时接触并自锁。这个延时继电器可以作一个保护继电器来使用,当它动作时,切断安全回路或门锁回路,使电梯不能再运行。同理,X、K有粘连时也会引起保护。
在电路中也增加了运行逻辑判断,正常时当S或X中有一个吸合时,K与M中必有一个吸合,因此SJ1延时继电器不可能会动作。但当S或X有粘连故障时,SJ1延时继电器动作,电梯保护。
同样,当K或M中有一个发生粘连故障时,延时继电器SJ1也吸合,电梯保护。