| [打印] |
电梯是高层建筑的重要机电设备,现代化智能大厦不仅要求电梯能够安全平稳地将乘客送达目的地,而且应该能够预报层站、插播宣传语及特定层站说明语,如“欢迎您光临XX酒店”、“三楼,西餐厅”等等。目前大部分电梯厂家生产的电梯都未配置自动语音报站系统,因此,开发一种可适用于所有型号电梯的、可随意录制、自动播放的通用型电梯自动语音报站系统是十分必要的。
本文所述系统由89C2051单片机与APR9600语音录放芯片构成。
1 APR9600语音录放芯片及录放电路
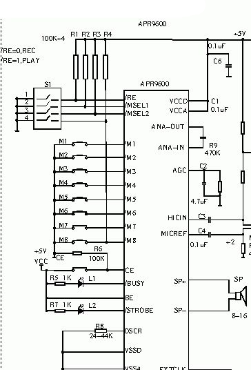
APR9600 语音录放芯片是一种音质好、噪音低、不怕断电、可反复录放的新型语音芯片,单片可录制60秒,串行控制时可分256段,并行控制最大可分8段。图一为 APR9600语音录放芯片管脚排列,表一为管脚功能说明。
录音时,外部音频信号通过话筒输入或线路输入方式进入,话筒可采用普通的驻极体话筒,在芯片内话筒放大器中自带自动增益调节,可由外接阻容器件设定响应速度和增益范围。音频信号由内部滤波器、采样电路处理后,以模拟量方式存入专用快闪存储器FLASHRAM中。由于FLASHRAM是非易失器件,断电等因素不会使存储的语音丢失。
放音时,芯片内读逻辑电路从FLASHRAM中取出信号,经过一个低通滤波器送到功率放大器中,然后直接推动外部的喇叭放音。外接喇叭为8~16欧姆均可,一般音量下输出功率12.2毫瓦(16欧姆)。
表1 APR9600管脚功能说明

图二为APR9600全功能使用电路图。
APR9600主要有串行控制和并行控制两种录放控制模式,由芯片的MSEL1、MSEL2、/M8三个端口的设置来实现,功能如表二所示。
表2 串/并行控制设定表

由于串行控制方式中,快进速度较慢,并且只能向前顺序播放,不能向后顺序播放,因此串行控制方式不宜在电梯的自动报站中使用。本语音报站系统采用并行控制方式,当楼层较高时,可用一片89C2051单片机控制两片APR9600,按“1~9”、“10”、“20”、“30”录音,通过简单组合,用11个口即可完成“1~39”层站的自动报站。
2 语音报站系统硬件结构
该系统硬件由层站信号采集、语音报站单片机控制及楼层自动纠错电路构成。
1.层站信号采集

图2 APR9600全功能使用电路图
#p##e#电梯层站信号采集有多种方式,如旋转编码器采集法、层站显示板采集法、井道磁感应器采集法等。由于不同型号的电梯所选用的旋转编码器不同,所采用的层站显示方式也不同,因此,这两种层站信号采集方式不具有普遍性。而不同型号的电梯,其井道内都设有磁感应器,以检测楼层及开门区,因此,采用井道磁感应器采集法具有普遍性,同时这种方式施工、接线都非常简单,所占用的单片机输入输出口也很少(仅两个口)。本系统采用该种方式。
以三菱电梯为例,其在井道内装有1DL、1UL两个磁感应器,其间距约为15CM~20CM。在开门区外,1DL、1UL为常闭状态,电压为48V,当电梯上行平层时,1DL先插入隔磁板,1UL后插入隔磁板,1DL、1UL先后变为断开状态,电压由48V变为0V。当电梯下行平层时,1UL先插入隔磁板,1DL后插入隔磁板。将这两个信号经过适当的光电隔离及电平转换后,输入到89C2051单片机的INT0、INT1口,即完成了对这两个信号的采集。采集电路如图三所示。

在软件中断程序中,通过对1DL、1UL两信号的分析处理,即可实现对电梯楼层的计数,同时判断出电梯的运行方向、是否停层等状态。
2、单片机控制语音报站
控制软件对采集的信号进行分析,若判定为电梯即将在本层停层,则通过CPU控制口对APR9600语音芯片相应的语音段进行触发,实现语音报站。电路图如图四单片机控制报站线路图所示(略可向作者索取)。
3、楼层自动纠错
由于电梯的晃动、磁感应器的老化、脉冲信号的干扰等原因,会引起楼层计数的错误,从而导致楼层误报。如果这一错误得不到及时纠正,累计误差逐渐增大,会导致报站混乱,甚至导致系统瘫痪。为此,必须增加一自动纠错电路。
自动纠错电路的原理是,当电梯运行到底层时,系统首先进行层站报告,接着强迫系统复位,使楼层计数器复位为底层数字“1”。
当电梯向下运行接近底层时,井道内会有下强迫换速DSR开关闭合,强迫电梯减速,以免发生意外。本系统借用DSR信号进行系统复位。DSR断开时为0V,闭合时为48V。当 DSR信号由48V变为0V时,表明电梯向上运行,报站系统不复位;当DSR信号由0V变为48V时,表明电梯已向下运行到接近底层,经一适当延时(8秒至10秒)后,系统复位。这里延时的目的是确保电梯已经到达底层并报站完毕,系统才复位。复位电路如图五系统纠错复位电路所示(略可向作者索取)。
图中利用光电耦合器进行光电隔离及电平转换,用两片单稳触发器74LS123实现延时复位及复位延时。延时时间可通过调整电位器的阻值实现。
3 软件结构
软件结构较为简单,主要包括主程序、外部中断程序及报站子程序三部分。主程序主要完成对寄存器的初始化及开放外部中断;中断程序包括 INT0、INT1。外部中断程序首先通过适当延时判断电梯隔磁板是否准确插入磁感应器,再对电梯运行方向进行正确判断,对电梯所处楼层进行正确计数,最后判定电梯是否停层,若是则进行报站处理。报站子程序主要根据楼层计数器所记录的数据对APR9600进行正确触发,以完成准确报站。
4 小结
以上系统具有接线简单、安装方便、音质优美、报站准确等优点,已在多部电梯上安装使用,效果良好。
参考文献:
[1] 孟少凯,张存荣等编著.《电梯技术与工程实务》.中国宇航出版社,2002年4月.
[2]毛宗源等编著.《微机控制电梯》. 国防工业出版社,1996年.